30×50 House Plan | 1500 Sq Ft 2BHK Modern Ground Floor Design

30x50 House Plan | 1500 Sq Ft 2BHK Ground Floor Plan with Porch & Lawn

Introduction

If you’re looking for a west-facing 30×50 house plan that’s spacious, practical, and perfect for a modern family, this 1500 sq ft ground floor layout is a great option. Designed with proper space planning, ventilation, and functionality, this plan includes 2 bedrooms, a living room, a kitchen, a dining area, a puja room, a porch, a lawn, and stairs.

Let’s explore the complete layout 30×50 House Plan in detail.

30x50 House Plan | 1500 Sq Ft 2BHK Ground Floor Plan with Car Parking

Plot Information

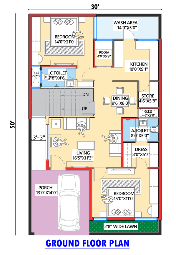
30×50 House Plan- The following is the detailed plot information:

  • Plot Size: 30′-0″ x 50′-0″
  • Total Plot Area: 1500 square feet
  • Configuration: 2BHK Ground Floor
  • Porch: Yes (Car Parking)
  • Open Lawn Space: Yes
  • Internal Stairs: Yes

This rectangular plot size 30×50 House Plan  is one of the most popular residential plot sizes in India, ideal for small to medium-sized families.

Ground Floor Plan Details (30x50 House Design)

30×50 House Plan this ground floor layout is designed with proper circulation space and maximum utilization.

1️⃣ Porch (13'0" x 14'0")

  • This home begins with a large 13×14 feet parking porch.
  • It can easily accommodate a car.
  • Direct access to the living room.
  • A covered parking area.

This size is ideal for parking a compact SUV or sedan.

2️⃣ Living Room (16'5" x 11'3")

After entering from the porch, you reach a well-designed living area.

  • It can accommodate a large seating area.
  • Good ventilation from the side openings.
  • Easy access to all rooms is centrally located.
  • Stairs are located next to the living area.

This space is perfect for family gatherings and guests.

3️⃣ Bedroom 1 (15'0" x 11'0")

Walkway leading to the lawn at the front of the house.

  • A spacious bed space.
  • An attached dressing area (8’0″ x 5’7″).
  • An attached toilet (8’0″ x 5’0″).

This bedroom is perfect as a master bedroom.

4️⃣ Common Toilet (8'0" x 4'6")

  • The common toilet is located near the stairs.
  • It is easily accessible from the living room and other bedrooms.
  • It also has proper ventilation.

5️⃣ Bedroom 2 (14'0" x 11'0")

It is located at the back of the house.

  • It is a comfortable size for children or guests.
  • It offers good privacy from the main entrance.
  • It is near the common toilet.

6️⃣ Kitchen (10'0" x 9'1")

The kitchen is located in the back-right corner.

  • It has a nice L-shaped platform for working on.
  • It has easy access to the dining area.
  • It has a separate wash area attached.
  • It is perfect for a convenient cooking layout.

7️⃣ Dining Area (9'6" x 8'0")

The dining area is in the middle.

  • It is connected to the kitchen.
  • It has open access.

This area can easily accommodate a 4-seater dining table.

8️⃣ Pooja Room (4'0" x 5'9")

There’s a dedicated puja area near the kitchen area.

  • This is a separate, enclosed space.
  • This is a great place for daily puja.
  • It also offers complete privacy.

9️⃣ Wash Area (14'0" x 5'0")

  • The wash area is behind the kitchen.
  • It’s used for washing dishes and clothes.
  • It has semi-open ventilation.

🔟 Store Room (4'6" x 5'8")

  • The store room is located near the dining area.
  • It’s ideal for grocery storage.
  • It can also be used as utility storage.

Lawn space (2'8" wide front lawn)

A small green strip in front of the bedroom adds:

  • Natural light
  • Ventilation
  • Beauty

Stairs are arranged

  • Located centrally.

  • Suitable for future first-floor construction.

  • Comfortable movement width.

This allows for future expansion into a duplex or rental floor.

Advantages of this 30x50 house plan

✔ Efficient use of space
✔ Separate dining area
✔ Two large bedrooms
✔ Special prayer room
✔ Includes car parking
✔ Floor space can be expanded in the future
✔ Balanced ventilation

1500 sq ft 30 by 50 house design ground floor plan

Who is this plan suitable for?

  • This plan is suitable for small to medium families (4–5 members)
  • Those planning a first floor in the future
  • House construction on a 1500 sq ft plot
  • House design on a budget

Construction tips for a 30x50 House Plan

  1. Maintain appropriate setbacks as per local regulations.
  2. Utilize natural light from windows.
  3. Keep plumbing lines straight for future floors.
  4. Ensure there is adequate headroom for stairs.
  5. Waterproof the wash and toilet areas.

Conclusion

This 30×50 House Plan 2BHK house plan is a smartly designed layout that balances comfort, functionality, and future expansion potential. With large bedrooms, separate dining and puja rooms, and parking space, it’s perfect for modern Indian families.

If you are planning to build your dream home on a 30×50 plot, this layout is a great starting point.

Yes, a 30×50 house plan (1500 sq ft) is ideal for a small to medium family of 4–5 members. It comfortably accommodates 2 bedrooms, living room, kitchen, dining area, and parking space.

Yes, this 30×50 2BHK house plan includes a spacious porch (13’x14’) suitable for one car parking.

The layout can be modified according to Vastu principles by adjusting kitchen direction, bedroom placement, and entrance position as per requirement.

On a 30 by 50 plot, you can easily design a 2BHK or 3BHK house depending on your layout and local building bylaws. This plan features a spacious 2BHK layout.

The total plot area is 1500 square feet, but actual construction area may vary depending on setbacks and local municipal regulations.

Leave a Comment

Your email address will not be published. Required fields are marked *

Scroll to Top